云顶国际

云顶国际

三川宏活性碳电镀过滤机-CP系列
  • 三川宏活性炭过滤机

【过滤流量】:14.4m³/H-22.5m³/H

【过滤面积】:1.37-4.3m²

【适合电镀槽】:1KL-6KL

【品牌厂家】:三川宏/川田环保

【产品别名】:电镀过滤机 

【泵浦功率】:1HP-3HP

【可选滤材】:PP滤纸/线绕滤芯/滤袋/活性炭滤芯

产品简介 / Introduction
产品特点 feature 
01
活性炭过滤机滤桶采用进口PP一体射出成型,坚固耐用,不易泄露。
02
泵浦采用三川宏耐酸碱化工泵,高效、节能、长效。
03
适用于五金电镀、塑料电镀、PCB电镀等工艺制程,滤材采用PP滤纸过滤精度高达0.5μ。

三川宏厂家

三川宏电镀过滤机厂家01

云顶国际 云顶国际(台湾三川宏大陆总部)主营三川宏电镀过滤机、耐酸碱化工泵、自吸泵、立式泵等电镀、涂装、污水处理行业机械设备。

三川宏电镀过滤机厂家02

川田环保科技在全国有13个办事处和网点,产品销往国内二十多个省市区以及中东、东南亚、日韩等地区。

三川宏电镀过滤机厂家03

云顶国际 公司拥有一套较为完整的销售体系,生产过程中执行6S管理,产品通过ISO9001质量体系认证,为扩大产能于2015年建立分公司——安徽川田环保科技有限公司(安徽·广德)。

产品规格 Specifications
型号 滤材 过滤面积
过滤量
L/Min
适合槽
容积KL
适用温度
≤℃
泵功率
HP
口径inch
(in-out)
重量
KG
CP2333 φ23cmx33 1.37 240 1-3 65 1 1.5"x1.5" 122
CP3033 φ30cmx33 2.47 330 2-4 65 2 1.5"x1.5" 140
CP3740 φ37cmx40 4.3 375 4-6 65 3 2"x2" 168
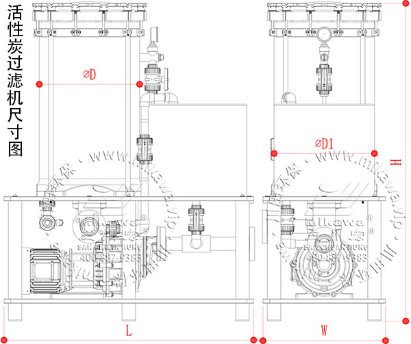
产品尺寸图 dimension

三川宏活性炭尺寸图

型号 L W H D&D1
CP2333 1120 550 1448 315
CP3033 1120 550 1490 350
CP3740 1120 550 1536 450

1TOP.jpg

2电镀过滤机

Q:电镀过滤机使用范畴?

A:三川宏电镀过滤机适用于电镀、电泳、蚀刻等行业各类酸碱溶液的过滤工况,过滤精度范围0.1微米至500微米,其他工业溶液过滤工况可咨询我司客服人员。

3商标.jpg

4配件.jpg

5原料.jpg

三川宏客户案例.jpg

三川宏出货.jpg

三川宏合作品牌.jpg

三川宏厂家一览.jpg

应用场景 cases
公司优势 advantage

深厚技术班底 专注研发创新

三川宏深厚技术班底

  拥有30余人的研发技术团队,各项技术已在台湾省及大陆累计申请数十项专利。
  32年研发经验,深耕环保领域,每年开发5款新品,提高设备性能,降低能耗。
  技术团队对接客户,深入现场,可现场指导安装测试及维修,快速出具解决方案。

台资企业实力 护航产品品质

resource/images/426b50c06ce5404cb718267365840a39_26.jpg

  3大生产基地(台湾省、浙江省、安徽省),36000㎡生产面积,年产能高达30000+台,规模化生产。
  拥有大型注塑机、自动熔接机、数控车床、设备性能检验试水系统等生产设备,保证产品品质。
  管理遵循ISO9001:2008质量体系管理,执行6s生产标准,所有产品通过多项出厂测试。

多家服务网络 始终服务制胜

三川宏多家服务网络

  现货库存超1000件,快至3天交货;江浙沪可当天配送,当天到货,发货速度快。
  全国13个办事处和仓储网点,华南,华东地区能24小时到厂服务,响应更及时。
云顶国际   设备享受1年全国联保,具有商标防伪证书,保修期内免费维修,免您后顾之忧。

热品推荐 / Hot product
三川宏活性碳电镀过滤机-CP系列
三川宏制版过滤机-CB系列06-12
金彩汇 - welcome 88爱彩|官方网站 理想彩票|首页